Каталог товаров
0
0

Водопад Рондо 700, Змеиная кожа, АС

Код товара: 8041010
Основные характеристики:
  • Артикул производителя АС 01.030/S
  • Материал Нержавеющая сталь AISI 304
  • Производительность 45 м3/ч
  • Ширина 760 мм
  • Высота 858 мм
Все характеристики
Нашли дешевле?
7 225 BYN В 1 клик
Доставка
Самовывоз со склада
д. Валерьяново, ул. Армейская, д. 15
Бесплатно
Доставка транспортной компанией
Стоимость и сроки доставки уточняйте у менеджера
Оплата
Безналичный расчет
Информация о товаре
Описание товара

Водопад предназначен для использования в бассейнах, аквапарках и водных аттракционах для отдыха и развлечений. Предназначен для массажа плеч, шеи и головы, а так же является декоративным элементом бассейна.
Водопад из полированной нержавеющей стали AISI 304, вес 43 кг с текстурой "змеиной кожи".
Получаемый эффект - ниспадающий поток воды различной ширины и интенсивности. Тонизирует мышцы, снимает стресс. Придает бассейну неповторимый шарм, способствует лучшему водообмену.
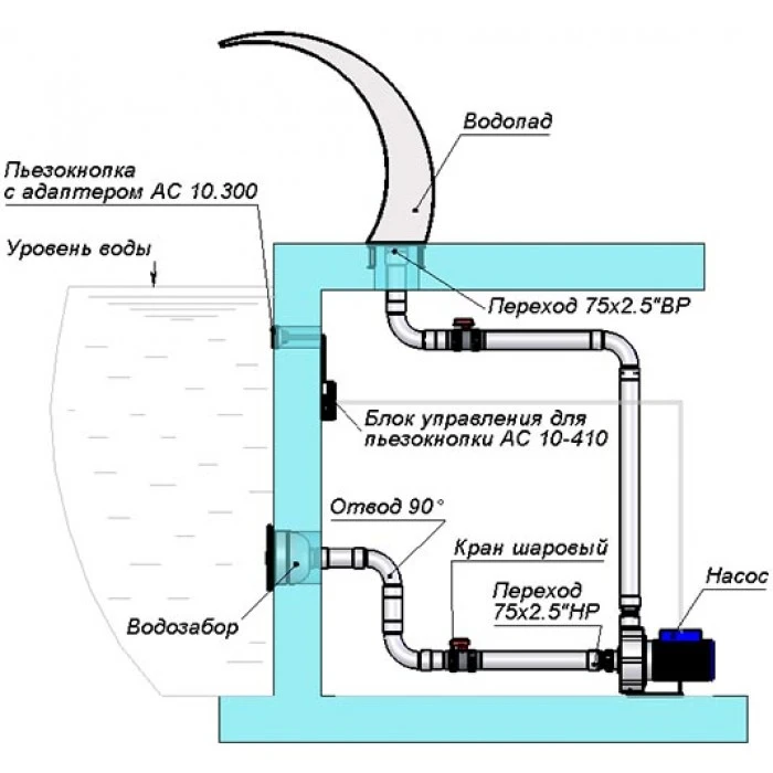
Для монтажа потребуются:
- Водопад;
- Устройство водозабора;
- Пусковое устройство, включающее сенсорную кнопку и блок управления;
- Насосный агрегат;
- Система трубопроводов.

Основные характеристики:
  • Артикул производителя АС 01.030/S
  • Материал Нержавеющая сталь AISI 304
  • Производительность 45 м3/ч
  • Ширина 760 мм
  • Высота 858 мм
Инструкции